电脑桌面
添加内谋知识网--内谋文库,文书,范文下载到电脑桌面
安装后可以在桌面快捷访问

2024届广东省中山一中高考仿真卷物理试卷含解析.doc

2024届广东省中山一中高考仿真卷物理试卷含解析.doc_第1页
1/16
2024届广东省中山一中高考仿真卷物理试卷含解析.doc_第2页
2/16
2024届广东省中山一中高考仿真卷物理试卷含解析.doc_第3页
3/16
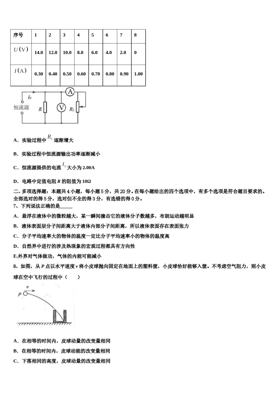
2024届广东省中山一中高考仿真卷物理试卷考生请注意:1.答题前请将考场、试室号、座位号、考生号、姓名写在试卷密封线内,不得在试卷上作任何标记。2.第一部分选择题每小题选出答案后,需将答案写在试卷指定的括号内,第二部分非选择题答案写在试卷题目指定的位置上。3.考生必须保证答题卡的整洁。考试结束后,请将本试卷和答题卡一并交回。一、单项选择题:本题共6小题,每小题4分,共24分。在每小题给出的四个选项中,只有一项是符合题目要求的。1、北京时间2019年11月5日1时43分,我国成功发射了北斗系统的第49颗卫星。据介绍,北斗系统由中圆地球轨道卫星、地球静止轨道卫星、倾斜地球同步轨道卫星三种卫星组成,其中中圆地球轨道卫星距地高度大约24万千米,地球静止轨道卫星和倾斜地球同步轨道卫星距地高度都是大约为3.6万千米。这三种卫星的轨道均为圆形。下列相关说法正确的是()A.发射地球静止轨道卫星的速度应大于B.倾斜地球同步轨道卫星可以相对静止于某个城市的正上空C.根据题中信息和地球半径,可以估算出中圆地球轨道卫星的周期D.中圆地球轨道卫星的向心加速度小于倾斜地球同步轨道卫星的向心加速度2、如图所示的电路中,电键、、、均闭合,是极板水平放置的平行板电容器,极板间悬浮着一油滴,下列说法正确的是()A.油滴带正电B.只断开电键,电容器的带电量将会增加C.只断开电键,油滴将会向上运动D.同时断开电键和,油滴将会向下运动3、如图所示,平行板电容器与电源连接,下极板接地,开关闭合,一带电油滴在电容器中的点处于静止状态。下列说法正确的是()A.保持开关闭合,板竖直上移一小段距离,电容器的电容增大B.保持开关闭合,板竖直上移一小段距离,点的电势将升高C.保持开关闭合,板竖直上移一小段距离过程中,电流计中电流方向向右D.开关先闭合后断开,板竖直上移一小段距离,带电油滴向下运动4、如图所示,真空中,垂直于纸面向里的匀强磁场只在两个同心圆所夹的环状区域存在(含边界),两圆的半径分别为R、3R,圆心为O.一重力不计的带正电粒子从大圆边缘的P点沿PO方向以速度v1射入磁场,其运动轨迹如图,轨迹所对的圆心角为120°.若将该带电粒子从P点射入的速度大小变为v2时,不论其入射方向如何,都不可能进入小圆内部区域,则v1:v2至少为A.B.C.D.25、如图所示,围绕地球做匀速圆周运动的两颗卫星的周期分别为T1和T2,两颗卫星的轨道半径的差值为d,地球表面重力加速度为g,根据以上已知量无法求出的物理量是(引力常量G未知)()A.地球的半径B.地球的质量C.两颗卫星的轨道半径D.两颗卫星的线速度6、如图所示的电路中,恒流源可为电路提供恒定电流为定值电阻,电流表、电压表均可视为理想电表,不考虑导线电阻对电路的影响。改变变阻器接入电路的阻值,记录电流表、电压表的示数并依次填写在下表中。由数据可以判定以下说法正确的是()序号1234567814.012.010.08.06.04.02.000.300.400.500.600.700.800.901.00A.实验过程中逐渐增大B.实验过程中恒流源输出功率逐渐减小C.恒流源提供的电流大小为2.00AD.电路中定值电阻R的阻值为10Ω二、多项选择题:本题共4小题,每小题5分,共20分。在每小题给出的四个选项中,有多个选项是符合题目要求的。全部选对的得5分,选对但不全的得3分,有选错的得0分。7、下列说法正确的是_____A.悬浮在液体中的微粒越大,某一瞬间撞击它的液体分子数越多,布朗运动越明显B.液体表面层分子间距离大于液体内部分子间距离,所以液体表面存在表面张力C.分子平均速率大的物体的温度一定比分子平均速率小的物体的温度高D.自然界中进行的涉及热现象的宏观过程都具有方向性E.外界对气体做功,气体的内能可能减小8、如图,从P点以水平速度v将小皮球抛向固定在地面上的塑料筐,小皮球恰好能够入筐。不考虑空气阻力,则小皮球在空中飞行的过程中()A.在相等的时间内,皮球动量的改变量相同B.在相等的时间内,皮球动能的改变量相同C.下落相同的高度,皮球动量的改变量相同D.下落相同的高度,皮球动能的改变量相同9、如图甲,间距L=lm且足够长的光滑平行金属导轨cd、ef固定在水平面(纸面)上...

1、当您付费下载文档后,您只拥有了使用权限,并不意味着购买了版权,文档只能用于自身使用,不得用于其他商业用途(如 [转卖]进行直接盈利或[编辑后售卖]进行间接盈利)。
2、本站所有内容均由合作方或网友上传,本站不对文档的完整性、权威性及其观点立场正确性做任何保证或承诺!文档内容仅供研究参考,付费前请自行鉴别。
3、如文档内容存在违规,或者侵犯商业秘密、侵犯著作权等,请点击“违规举报”。

碎片内容

2024届广东省中山一中高考仿真卷物理试卷含解析.doc

您可能关注的文档

确认删除?