电脑桌面
添加内谋知识网--内谋文库,文书,范文下载到电脑桌面
安装后可以在桌面快捷访问

1997年山西高考物理真题及答案.doc

1997年山西高考物理真题及答案.doc_第1页
1/10
1997年山西高考物理真题及答案.doc_第2页
2/10
1997年山西高考物理真题及答案.doc_第3页
3/10
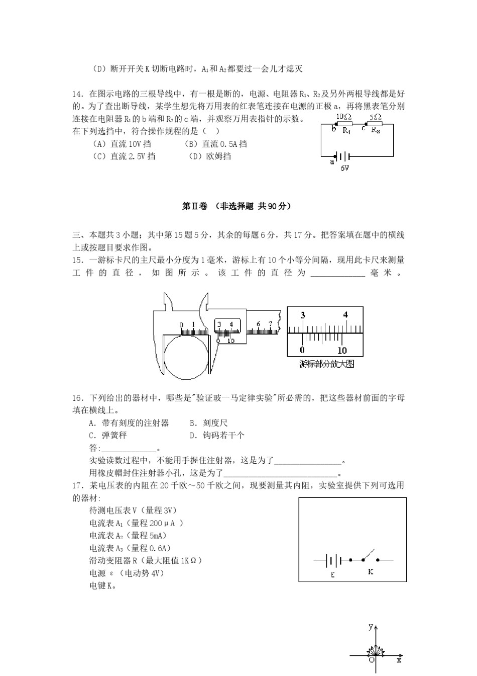
1997年山西高考物理真题及答案第Ⅰ卷(选择题共60分)一.本题共5小题;每小题3分,共15分。在每小题给出的四个选项中只有一项是正确的。1.在卢瑟福的a粒子散射实验中,有少数a粒子发生大角度偏转,其原因是()(A)原子的正电荷和绝大部分质量集中在一个很小的核上(B)正电荷在原子中是均匀分布的(C)原子中存在着带负电的电子(D)原子只能处于一系列不连续的能量状态中2.质量为m的钢球自高处落下,以速率v1碰地,竖直向上弹回,碰撞时间极短,离地的速率为v2。在碰撞过程中,地面对钢球的冲量的方向和大小为()(A)向下,m(v1-v2)(B)向下,m(v1+v2)(C)向上,m(v1-v2)(D)向上,m(v1+v2)3.质量为M的木块位于粗糙水平桌面上,若用大小为F的水平恒力拉木块,其加速度为a。当拉力方向不变,大小变为2F时,木块的加速度为a',则()(A)a'=a(B)a'<2a(C)a'>2a(D)a'=2a4.(1)、(2)两电路中,当a、b两端与e、f两端分别加上220伏的交流电压时,测得c、d间与g、h间的电压均为110伏。若分别在c、d两端与g、h两端加上110伏的交流电压,则a、b间与e、f间的电压分别为()(A)220伏,220伏(B)220伏,110伏(C)110伏,110伏(D)220伏,05.在双缝干涉实验中,以白光为光源,在屏幕上观察到了彩色干涉条纹,若在双缝中的一缝前放一红色滤光片(只能透过红光),另一缝前放一绿色滤光片(只能透过绿光),这时()(A)只有红色和绿色的双缝干涉条纹,其它颜色的双缝干涉条纹消失(B)红色和绿色的双缝干涉条纹消失,其它颜色的双缝干涉条纹依然存在(C)任何颜色的双缝干涉条纹都不存在,但屏上仍有光亮(D)屏上无任何光亮二.本题共9小题;每小题5分,共45分。在每小题给出的四个选项中,有的小题只有一个选项正确,有的小题有多个选项正确。全部选对的得5分,选不全的得2分,有选错或不答的得0分。6.在下列核反应方程中,x代表质子的方程是()AB7.光C线在玻璃和空气的分界面上发生D全反射的条件是()(A)光从玻璃射到分界面上,入射角足够小(B)光从玻璃射到分界面上,入射角足够大(C)光从空气射到分界面上,入射角足够小(D)光从空气射到分界面上,入射角足大8.在下列叙述中,正确的是()(A)物体的温度越高,分子热运动越剧烈,分子平均动能越大(B)布朗运动就是液体分子的热运动(C)对一定质量的气体加热,其内能一定增加(D)分子间的距离r存在某一值r0,当r<r0时,斥力大于引力,当r>r0时,斥力小于引力9.图中重物的质量为m,轻细线AO和BO的A、B端是固定的。平衡时AO是水平的,BO与水平面的夹角为θ。AO的拉力F1和BO的拉力F2的大小是()10.为了增大LC振荡电路的固有频率,下列办法中可采取的是()(A)增大电容器两极板的正对面积并在线圈中放入铁芯(B)减小电容器两极板的距离并增加线圈的匝数(C)减小电容器两极板的距离并在线圈中放入铁芯(D)减小电容器两极板的正对面积并减少线圈的匝数11.简谐横波某时刻的波形图线如图所示。由此图可知()(A)若质点a向下运动,则波是从左向右传播的(B)若质点b向上运动,则波是从左向右传播的(C)若波从右向左传播,则质点c向下运动(D)若波从右向左传播,则质点d向上运动12.如图所示的电路中,电源的电动势恒定,要想使灯泡变暗,可以()(A)增大R1(B)减小R1(C)增大R2(D)减小R213.如图所示的电路中,A1和A2是完全相同的灯泡,线圈L的电阻可以忽略。下列说法中正确的是()(A)合上开关K接通电路时,A2先亮,A1后亮,最后一样亮(B)合上开关K接通电路时,A1和A2始终一样亮(C)断开开关K切断电路时,A2立刻熄灭,A1过一会儿才熄灭(D)断开开关K切断电路时,A1和A2都要过一会儿才熄灭14.在图示电路的三根导线中,有一根是断的,电源、电阻器R1、R2及另外两根导线都是好的。为了查出断导线,某学生想先将万用表的红表笔连接在电源的正极a,再将黑表笔分别连接在电阻器R1的b端和R2的c端,并观察万用表指针的示数。在下列选挡中,符合操作规程的是()(A)直流10V挡(B)直流0.5A挡(C)直流2.5V挡(D)欧姆挡第Ⅱ卷(非选择题共90分)三、本题共3小题;其...

1、当您付费下载文档后,您只拥有了使用权限,并不意味着购买了版权,文档只能用于自身使用,不得用于其他商业用途(如 [转卖]进行直接盈利或[编辑后售卖]进行间接盈利)。
2、本站所有内容均由合作方或网友上传,本站不对文档的完整性、权威性及其观点立场正确性做任何保证或承诺!文档内容仅供研究参考,付费前请自行鉴别。
3、如文档内容存在违规,或者侵犯商业秘密、侵犯著作权等,请点击“违规举报”。

碎片内容

1997年山西高考物理真题及答案.doc

确认删除?