电脑桌面
添加内谋知识网--内谋文库,文书,范文下载到电脑桌面
安装后可以在桌面快捷访问

2009重庆高考物理试题和答案.docx

2009重庆高考物理试题和答案.docx_第1页
1/9
2009重庆高考物理试题和答案.docx_第2页
2/9
2009重庆高考物理试题和答案.docx_第3页
3/9
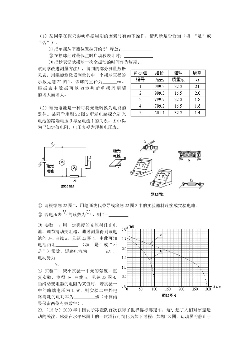
2009年普通高等学校招生全国统一考试(重庆卷)理科综合能力测试试题分选择题和非选择题两部分,第一部分(选择题)1至6页,第二部分(非选择题)6至12页,共12页,满分300分,考试时间150分钟。注意事项:A.答卷前,务必将自己的姓名、准考证号填写在答题卡的规定的位置上。B.答选择题时,必须使用2B铅笔将答题卡上,对应题目的答案标号涂黑,如需改动,用橡皮擦干净后,再选涂其它答案标号。C.答非选择题时,必须使用0.5毫米的黑色墨水签字笔,将答案书写在答题卡上规定的位置上。D.所有题目答题卡上作答,在试题卷上答题无效。E.考试结束,将试题卷和答题卡一并交回。第一部分(选择题共126分)本部分包括21小题,每小题6分,共126分,每小题只有一个选项符合题意14.密闭有空气的薄塑料瓶因降温而变扁,此过程中瓶内空气(不计分子势能)A.内能增大,放出热量B.内能减小,吸收热量C.内能增大,对外界做功D.内能减小,外界对其做功15.同一音叉发出的声波同时在水和空气中传播,某时刻的波形曲线见题15图,以下说法正确的是()A.声波在水中波长较大,b是水中声波的波形曲线。B.声波在空气中波长较大,b是空气中声波的波形曲线C.水中质点振动频率较高,a是水中声波的波形曲线D.空气中质点振动频率较高,a是空气中声波的波形曲线16.某科学家提出年轻热星体中核聚变的一种理论,其中的两个核反应方程为++++X+方程式中1、表示释放的能量,相关的原子核质量见下表:原子核质量/u1.00783.01604.002612.000013.005715.0001以下推断正确的是A.X是,B.X是,D.X是,C.X是,17.据报道,“嫦娥一号”和“嫦娥二号”绕月飞行器的圆形工作轨道距月球表面分别约为200Km和100Km,运动速率分别为v1和v2,那么v1和v2的比值为(月球半径取1700Km)A.B.C,D.18.某实物投影机有10个相同的强光灯L1~L10(24V/200W)和10个相同的指示灯X1~X10(220V/2W),将其连接在220V交流电源上,电路见题18图,若工作一段时间后,L2灯丝烧断,则()A.X1的功率减小,L1的功率增大B.X1的功率增大,L1的功率增大C.X2功率增大,其它指示灯的功率减小D.X2功率减小,其它指示灯的功率增大19.在题19图所示电路中,电池均相同,当电键S分别置于a、b两处时,导线与之间的安培力的大小为、,可判断这两段导线()A.相互吸引,>B.相互排斥,>C.相互吸引,<D.相互排斥,<20.题20图为一种早期发电机原理示意图,该发电机由固定的圆形线圈和一对用铁芯连接的圆柱形磁铁构成,两磁极相对于线圈平面对称,在磁极绕转轴匀速转动过程中,磁极中心在线圈平面上的投影沿圆弧运动,(是线圈中心),则()A.从X到O,电流由E经G流向F,先增大再减小B.从X到O,电流由F经G流向E,先减小再增大C.从O到Y,电流由F经G流向E,先减小再增大D.从O到Y,电流由E经G流向F,先增大再减小21.用a、b、c、d表示四种单色光,若①a、b从同种玻璃射向空气,a的临界角小于b的临界角;②用b、c和d在相同条件下分别做双缝干涉实验,c的条纹间距最大③用b、d照射某金属表面,只有b能使其发射电子。则可推断a、b、c、d可能分别是A.紫光、蓝光、红光、橙光B.蓝光、紫光、红光、橙光C.紫光、蓝光、橙光、红光D.紫光、橙光、红光、蓝光第二部分(非选择题共174分)22.(19分)(1)某同学在探究影响单摆周期的因素时有如下操作,请判断是否恰当(填“是”或“否”)。①把单摆从平衡位置拉开约5°释放;②在摆球经过最低点时启动秒表计时;③把秒表记录摆球一次全振动的时间作为周期。该同学改进测量方法后,得到的部分测量数据见表。用螺旋测微器测量其中一个摆球直径的示数见题22图1,该球的直径为mm。根据表中数据可以初步判断单摆周期随的增大而增大。(2)硅光电池是一种可将光能转换为电能的器件。某同学用题22图2所示电路探究硅光电池的路端电压U与总电流I的关系。图中R0为已知定值电阻,电压表视为理想电压表。①请根据题22图2,用笔画线代替导线将题22图3中的实验器材连接成实验电路。②若电压表的读数为,则I=③实验一:用一定强度的光照射硅光电池,调节滑动变阻器,通过测量得到该电池的U-I曲线a。见题22图4,由此可知电池内阻(填“是”或“不是”...

1、当您付费下载文档后,您只拥有了使用权限,并不意味着购买了版权,文档只能用于自身使用,不得用于其他商业用途(如 [转卖]进行直接盈利或[编辑后售卖]进行间接盈利)。
2、本站所有内容均由合作方或网友上传,本站不对文档的完整性、权威性及其观点立场正确性做任何保证或承诺!文档内容仅供研究参考,付费前请自行鉴别。
3、如文档内容存在违规,或者侵犯商业秘密、侵犯著作权等,请点击“违规举报”。

碎片内容

2009重庆高考物理试题和答案.docx

确认删除?