电脑桌面
添加内谋知识网--内谋文库,文书,范文下载到电脑桌面
安装后可以在桌面快捷访问

2013年海南高考化学试题及答案.doc

2013年海南高考化学试题及答案.doc_第1页
1/27
2013年海南高考化学试题及答案.doc_第2页
2/27
2013年海南高考化学试题及答案.doc_第3页
3/27
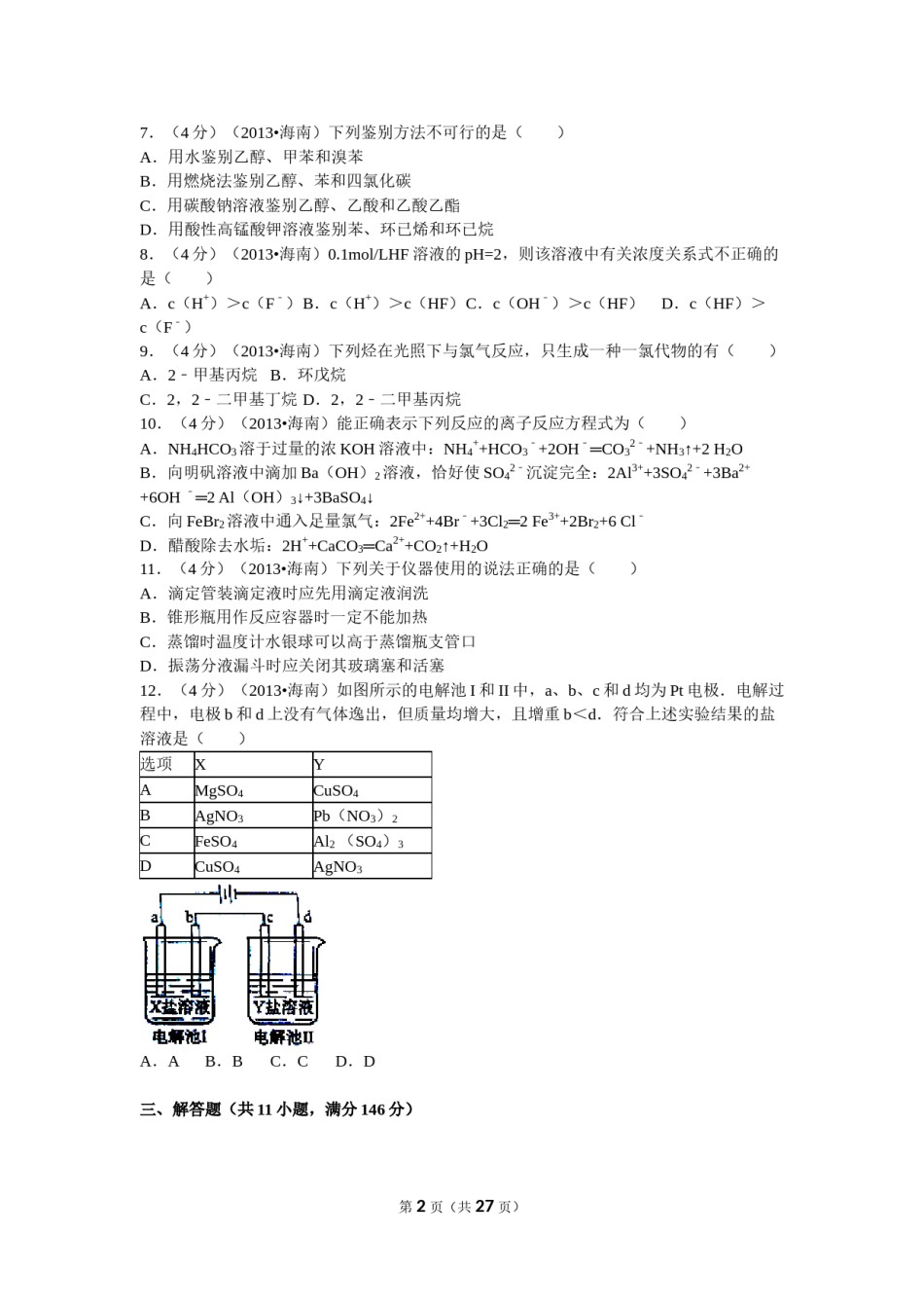
2013年海南省高考化学试卷一、选择题:本题共6小题.每小题2分,共12分.在每小题给出的四个选项中,只有一项是符合题目要求的.1.(2分)(2013•海南)下列有机化合物中沸点最高的是()A.乙烷B.乙烯C.乙醇D.乙酸2.(2分)(2013•海南)下列化合物的俗称与化学式不对应的是()A.绿矾﹣FeSO4•7H2OB.芒硝﹣Na2SO4•10H2OC.明矾﹣Al2(SO4)3•12H2OD.胆矾﹣CuSO4•5H2O3.(2分)(2013•海南)重水(D2O)是重要的核工业原料,下列说法错误的是()A.氘(D)原子核外有1个电子B.1H与D互称同位素C.H2O与D2O互称同素异形体D.1H218O与D216O的相对分子质量相同4.(2分)(2013•海南)Mg﹣AgCl电池是一种能被海水激活的一次性贮备电池,电池反应方程式为:2AgCl+Mg=Mg2++2Ag+2Cl﹣.有关该电池的说法正确的是()A.Mg为电池的正极B.负极反应为AgCl+e﹣=Ag+Cl﹣C.不能被KCl溶液激活D.可用于海上应急照明供电5.(2分)(2013•海南)已知下列反应的热化学方程式:6C(s)+5H2(g)+3N2(g)+9O2(g)═2C3H5(ONO2)3(l)△H12H2(g)+O2(g)═2H2O(g)△H2C(s)+O2(g)═CO2(g)△H3则反应4C3H5(ONO2)3(l)═12CO2(g)+10H2O(g)+O2(g)+6N2(g)的△H为()A.12△H3+5△H2﹣2△H1B.2△H1﹣5△H2﹣12△H3C.12△H3﹣5△H2﹣2△H1D.△H1﹣5△H2﹣12△H36.(2分)(2013•海南)如图所示仪器可用于实验室制备少量无水FeCl3,仪器连接顺序正确的是()A.a﹣b﹣c﹣d﹣e﹣e﹣f﹣g﹣hB.a﹣e﹣d﹣c﹣b﹣h﹣i﹣gC.a﹣d﹣e﹣c﹣b﹣h﹣i﹣gD.a﹣c﹣b﹣d﹣e﹣h﹣i﹣f二、选择题:本题共6小题.每小题4分,共24分.每小题有一个或两个选项符合题意,若正确答案只包括一个选项,多选得0分;若正确答案包括两个选项,只选一个且正确得2分,选两个且都正确得4分,但只要选错一个就得0分.第1页(共27页)7.(4分)(2013•海南)下列鉴别方法不可行的是()A.用水鉴别乙醇、甲苯和溴苯B.用燃烧法鉴别乙醇、苯和四氯化碳C.用碳酸钠溶液鉴别乙醇、乙酸和乙酸乙酯D.用酸性高锰酸钾溶液鉴别苯、环已烯和环已烷8.(4分)(2013•海南)0.1mol/LHF溶液的pH=2,则该溶液中有关浓度关系式不正确的是()A.c(H+)>c(F﹣)B.c(H+)>c(HF)C.c(OH﹣)>c(HF)D.c(HF)>c(F﹣)9.(4分)(2013•海南)下列烃在光照下与氯气反应,只生成一种一氯代物的有()A.2﹣甲基丙烷B.环戊烷C.2,2﹣二甲基丁烷D.2,2﹣二甲基丙烷10.(4分)(2013•海南)能正确表示下列反应的离子反应方程式为()A.NH4HCO3溶于过量的浓KOH溶液中:NH4++HCO3﹣+2OH﹣═CO32﹣+NH3↑+2H2OB.向明矾溶液中滴加Ba(OH)2溶液,恰好使SO42﹣沉淀完全:2Al3++3SO42﹣+3Ba2++6OH﹣═2Al(OH)3↓+3BaSO4↓C.向FeBr2溶液中通入足量氯气:2Fe2++4Br﹣+3Cl2═2Fe3++2Br2+6Cl﹣D.醋酸除去水垢:2H++CaCO3═Ca2++CO2↑+H2O11.(4分)(2013•海南)下列关于仪器使用的说法正确的是()A.滴定管装滴定液时应先用滴定液润洗B.锥形瓶用作反应容器时一定不能加热C.蒸馏时温度计水银球可以高于蒸馏瓶支管口D.振荡分液漏斗时应关闭其玻璃塞和活塞12.(4分)(2013•海南)如图所示的电解池I和II中,a、b、c和d均为Pt电极.电解过程中,电极b和d上没有气体逸出,但质量均增大,且增重b<d.符合上述实验结果的盐溶液是()选项XYAMgSO4CuSO4BAgNO3Pb(NO3)2CFeSO4Al2(SO4)3DCuSO4AgNO3A.AB.BC.CD.D三、解答题(共11小题,满分146分)第2页(共27页)本卷包括必考题和选考题两部分,第13题~第17题为必考题,每个试卷考生都必须做答。第18题~第20题为选考题,考生根据要求做答。13.(9分)(2013•海南)X、Y和Z均为短周期元素,原子序数依次增大,X的单质为密度最小的气体,Y原子最外层电子数是其周期数的三倍,Z与X原子最外层电子数相同.回答下列问题:(1)X、Y和Z的元素符号分别为、、.(2)由上述元素组成的化合物中,既含有共价键又含有离子键的有、.(3)X和Y组成的化合物中,既含有极性共价键又含有非极性共价键的物质的电子式为此化合物在酸性条件下与高锰...

1、当您付费下载文档后,您只拥有了使用权限,并不意味着购买了版权,文档只能用于自身使用,不得用于其他商业用途(如 [转卖]进行直接盈利或[编辑后售卖]进行间接盈利)。
2、本站所有内容均由合作方或网友上传,本站不对文档的完整性、权威性及其观点立场正确性做任何保证或承诺!文档内容仅供研究参考,付费前请自行鉴别。
3、如文档内容存在违规,或者侵犯商业秘密、侵犯著作权等,请点击“违规举报”。

碎片内容

2013年海南高考化学试题及答案.doc

确认删除?