电脑桌面
添加内谋知识网--内谋文库,文书,范文下载到电脑桌面
安装后可以在桌面快捷访问

2015年北京市高考物理试卷(含解析版).doc

2015年北京市高考物理试卷(含解析版).doc_第1页
1/12
2015年北京市高考物理试卷(含解析版).doc_第2页
2/12
2015年北京市高考物理试卷(含解析版).doc_第3页
3/12
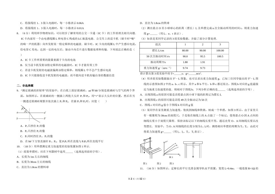
2015年北京市高考物理试卷5.(6分)实验观察到,静止在匀强磁场中A点的原子核发生β衰变,衰变产生的新核与电子恰在纸面内做匀速圆周运动,运动方向和轨迹示意如图.则()一、选择题(共8小题,每小题6分,满分48分,在每小题列出的四个选项中,选出最符合题目A.轨迹1是电子的,磁场方向垂直纸面向外要求的一项。)B.轨迹2是电子的,磁场方向垂直纸面向外1.(6分)下列说法正确的是()C.轨迹1是新核的,磁场方向垂直纸面向里D.轨迹2是新核的,磁场方向垂直纸面向里A.物体放出热量,其内能一定减小6.(6分)“蹦极”运动中,长弹性绳的一端固定,另一端绑在人身上,人从几十米高处跳下。将B.物体对外做功,其内能一定减小蹦极过程简化为人沿竖直方向的运动。从绳恰好伸直,到人第一次下降至最低点的过程中,下C.物体吸收热量,同时对外做功,其内能可能增加列分析正确的是()D.物体放出热量,同时对外做功,其内能可能不变A.绳对人的冲量始终向上,人的动量先增大后减小2.(6分)下列核反应方程中,属于α衰变的是()B.绳对人的拉力始终做负功,人的动能一直减小C.绳恰好伸直时,绳的弹性势能为零,人的动能最大A.N+He→O+HB.U→Th+HeD.人在最低点时,绳对人的拉力等于人所受的重力7.(6分)如图所示,其中电流表A的量程为0.6A,表盘均匀划分为30个小格,每一小格表示C.H+H→He+nD.Th→Pa+e0.02A,R1的阻值等于电流表内阻的;R2的阻值等于电流表内阻的2倍.若用电流表A的表3.(6分)周期为2.0s的简谐横波沿x轴传播,该波在某时刻的图象如图所示,此时质点P沿y盘刻度表示流过接线柱1的电流值,则下列分析正确的是()轴负方向运动,则该波()A.将接线柱1、2接入电路时,每一小格表示0.04AB.将接线柱1、2接入电路时,每一小格表示0.02AA.沿x轴正方向传播,波速v=20m/sB.沿x轴正方向传播,波速v=10m/sC.沿x轴负方向传播,波速v=20m/sD.沿x轴负方向传播,波速v=10m/s4.(6分)假设地球和火星都绕太阳做匀速圆周运动,已知地球到太阳的距离小于火星到太阳的距离,那么()A.地球公转周期大于火星的公转周期B.地球公转的线速度小于火星公转的线速度C.地球公转的加速度小于火星公转的加速度D.地球公转的角速度大于火星公转的角速度第1页(共12页)C.将接线柱1、3接入电路时,每一小格表示0.06AD.直径为1.8cm的铁球D.将接线柱1、3接入电路时,每一小格表示0.01A(2)测出悬点O至小球球心的距离(摆长)L及单摆完成n次全振动所用的时间t,则重力加速8.(6分)利用所学物理知识,可以初步了解常用的公交一卡通(IC卡)的工作原理及相关问题.IC卡内部有一个由电感线圈L和电容C构成的LC振荡电路.公交车上的读卡机(刷卡时“嘀”度g=(用L、n、t表示).的响一声的机器)向外发射某一特定频率的电磁波.刷卡时,IC卡内的线圈L中产生感应电流,(3)如表是某同学记录的3组实验数据,并做了部分计算处理.给电容C充电,达到一定的电压后,驱动卡内芯片进行数据处理和传输.下列说法正确的是()组次123A.IC卡工作所需要的能量来源于卡内的电池B.仅当读卡机发射该特定频率的电磁波时,IC卡才能有效工作摆长L/cm80.0090.00100.00C.若读卡机发射的电磁波偏离该特定频率,则线圈L中不会产生感应电流D.IC卡只能接收读卡机发射的电磁波,而不能向读卡机传输自身的数据信息50次全振动时间t/s90.095.5100.5二、非选择题振动周期T/s1.801.919.“测定玻璃的折射率”的实验中,在白纸上放好玻璃砖,aa′和bb′分别是玻璃砖与空气的两个界面,如图所示,在玻璃砖的一侧插上两枚大头针P1和P2,用“×”表示大头针的位置,然后在另重力加速度g/(m•s﹣2)9.749.73一侧透过玻璃砖观察并依次插上P3和P4.在插P3和P4时,应使()请计算出第3组实验中的T=s,g=m/s2.A.P3只挡住P1的像(4)用多组实验数据做出T2﹣L图象,也可以求出重力加速度g,已知三位同学做出的T2﹣L图B.P4只挡住P2的像C.P3同时挡住P1、P2的像线的示意图如图2中的a、b、c所示,其中a和b平行,b和c都过原点,图线b对应的g值最接D.在bb′下方竖直插针P3、P4,使P1P2所在直线与P3P4所在直线平...

1、当您付费下载文档后,您只拥有了使用权限,并不意味着购买了版权,文档只能用于自身使用,不得用于其他商业用途(如 [转卖]进行直接盈利或[编辑后售卖]进行间接盈利)。
2、本站所有内容均由合作方或网友上传,本站不对文档的完整性、权威性及其观点立场正确性做任何保证或承诺!文档内容仅供研究参考,付费前请自行鉴别。
3、如文档内容存在违规,或者侵犯商业秘密、侵犯著作权等,请点击“违规举报”。

碎片内容

2015年北京市高考物理试卷(含解析版).doc

确认删除?