电脑桌面
添加内谋知识网--内谋文库,文书,范文下载到电脑桌面
安装后可以在桌面快捷访问

2015年辽宁省铁岭市中考物理试题(空白卷).docx

2015年辽宁省铁岭市中考物理试题(空白卷).docx_第1页
1/13
2015年辽宁省铁岭市中考物理试题(空白卷).docx_第2页
2/13
2015年辽宁省铁岭市中考物理试题(空白卷).docx_第3页
3/13
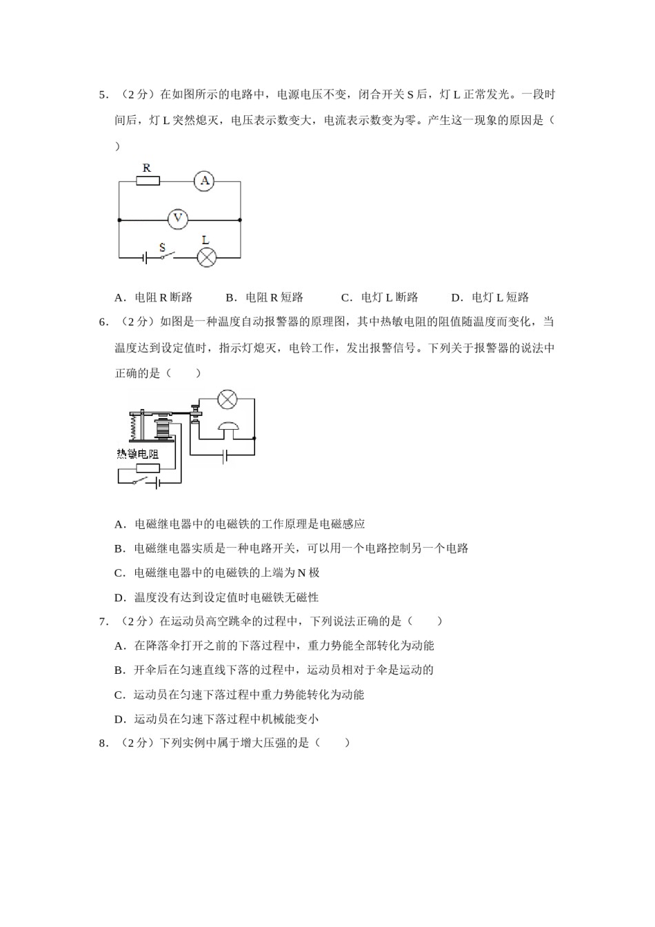
2015年辽宁省铁岭市中考物理试卷一.选择题;【本小题包括12个小题,共28分.其中1~8小题为单选题,每小题2分;9~12小题为多选题,每小题2分.对于多选题,漏选得2分,错选、多选得0分】1.(2分)关于中考体育加试中的一些数据,估测合理的是()A.男同学跑1000m的平均速度约为10m/sB.女同学跑800m所用的时间约为4minC.抛出手的实心球到达最高点离地面约45mD.体育加试时天气炎热,气温可达60℃2.(2分)如图中属于光沿直线传播现象的是()A.阳光下的人影B.蜗牛在水中的倒影C.水面“折断”的笔杆D.雨后空中的彩虹3.(2分)下列说法中正确的是()A.只有正电荷定向移动才会形成电流B.电磁感应现象说明电能生磁C.静电除尘的原理是带电体能吸引轻小物体D.红外线不属于电磁波4.(2分)端午节是我国的传统节日,有吃粽子的习俗。下面与粽子有关的说法中正确的是()A.包粽子时,米粒之间有缝隙,说明分子间有间隙B.煮粽子时,锅上方冒出“白气”是汽化现象C.手上沾些水,刚拿出锅的粽子不烫手,利用了汽化吸热D.粽子放入冰箱冷冻一段时间,外表结了一层霜,这是凝固现象5.(2分)在如图所示的电路中,电源电压不变,闭合开关S后,灯L正常发光。一段时间后,灯L突然熄灭,电压表示数变大,电流表示数变为零。产生这一现象的原因是()A.电阻R断路B.电阻R短路C.电灯L断路D.电灯L短路6.(2分)如图是一种温度自动报警器的原理图,其中热敏电阻的阻值随温度而变化,当温度达到设定值时,指示灯熄灭,电铃工作,发出报警信号。下列关于报警器的说法中正确的是()A.电磁继电器中的电磁铁的工作原理是电磁感应B.电磁继电器实质是一种电路开关,可以用一个电路控制另一个电路C.电磁继电器中的电磁铁的上端为N极D.温度没有达到设定值时电磁铁无磁性7.(2分)在运动员高空跳伞的过程中,下列说法正确的是()A.在降落伞打开之前的下落过程中,重力势能全部转化为动能B.开伞后在匀速直线下落的过程中,运动员相对于伞是运动的C.运动员在匀速下落过程中重力势能转化为动能D.运动员在匀速下落过程中机械能变小8.(2分)下列实例中属于增大压强的是()A.图钉帽B.螺丝钉上的垫圈C.压路机上的碾子D.人脚下的滑雪板9.(2分)“十一”期间,小英全家外出旅游,家里只有台灯单独工作,出门和回家时电能表分别如图甲、乙所示。若小英离家时间100h,下列说法中正确的是()A.电能表是测量用电器消耗电能多少的仪表B.这段时间台灯消耗电能10kW•hC.台灯工作时电功率为10WD.电能表工作时的电流恒为10A10.(2分)如图所示,铁球从斜面上滚下后在水平桌面上滚动,以下说法中正确的是()A.磁铁与铁球没有接触,二者间没有力的作用B.铁球从斜面上滚下的过程中,重力对铁球做了功C.铁球在水平面上滚动速度发生变化,是力改变了它的运动状态D.铁球最终静止在水平桌面上,它受到的重力与支持力是一对平衡力11.(2分)如图是甲、乙两种固体物质的m﹣V图象,下列说法中正确的是()A.若甲、乙物质体积相等,甲的质量大B.将等质量的甲、乙实心物体放入水中静止后,乙受到的浮力大C.将甲制成的实心物体放入装满水的容器中,水对容器底的压强变大D.用甲、乙物质制成质量相等的实心正方体,把它们放在水平地面上时,甲对地面的压强小12.(2分)如图所示电路中,电源电压不变,R1=10Ω,小灯泡标有6V字样(灯丝电阻不变)。闭合开关S1、S2,滑动变阻器R2的滑片在最左端,灯泡正常发光,电流表示数为1.1A,当闭合开关S1、断开S2,滑动变阻器R2的滑片在最右端时,电流表示数为0.2A,下列说法正确的是()A.电源电压6VB.灯泡额定功率3WC.滑动变阻器最大阻值30ΩD.S1闭合S2断开,若要使灯泡的实际功率是0.75W,滑动变阻器R2连入电路阻值为12Ω二.填空题;(本题共9小题,每空1分,共26分)13.(3分)公园里正在进行庆“六一”节目汇演,小朋友的欢呼声传遍整个公园,这反映了声音(选填“响度”或“音调”)的特性。美妙的声音是孩子们的声带产生的。家中正在备考的小明羡慕地望着窗外,无奈地关上窗户,这是在减弱噪声。14.(3分)如图是一种新型路灯,可...

1、当您付费下载文档后,您只拥有了使用权限,并不意味着购买了版权,文档只能用于自身使用,不得用于其他商业用途(如 [转卖]进行直接盈利或[编辑后售卖]进行间接盈利)。
2、本站所有内容均由合作方或网友上传,本站不对文档的完整性、权威性及其观点立场正确性做任何保证或承诺!文档内容仅供研究参考,付费前请自行鉴别。
3、如文档内容存在违规,或者侵犯商业秘密、侵犯著作权等,请点击“违规举报”。

碎片内容

2015年辽宁省铁岭市中考物理试题(空白卷).docx

确认删除?