电脑桌面
添加内谋知识网--内谋文库,文书,范文下载到电脑桌面
安装后可以在桌面快捷访问

2010年四川省成都市中考化学试卷及答案.doc

2010年四川省成都市中考化学试卷及答案.doc_第1页
1/7
2010年四川省成都市中考化学试卷及答案.doc_第2页
2/7
2010年四川省成都市中考化学试卷及答案.doc_第3页
3/7
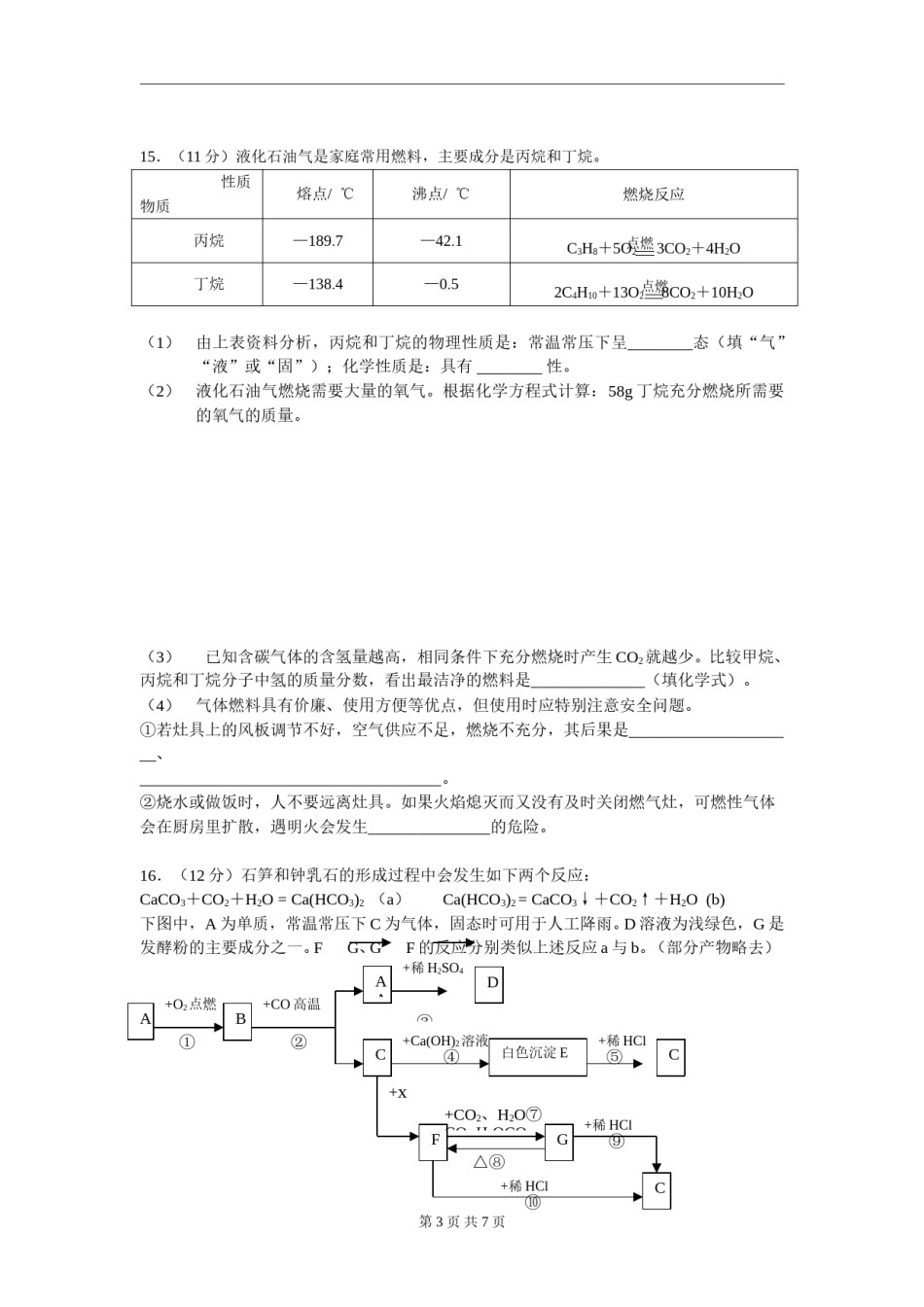
成都市2010年高中阶段教育学校统一招生考试化学试卷姓名_______________班级_________________成绩__________________一:选择题(共12个小题,每小题3分,共36分,每小题只有一个选项符合题意)题号123456789101112答案1.世博“零碳馆”是中国第一座零碳排放的公共建筑。“零碳”中的“碳”主要指()A.COB.CO2C.CH4D.C2.下列化学用语及结构表达不正确的是()A.Na+的结构示意图:B:C60分子的结构:C.4个氮原子:2N2D.酒精的化学式:C2H5OH3.“南澳一号”考古中,潜水员携带压缩空气瓶进行水下探宝。空气可被压缩说明()A.分子由原子构成B加压时发生化学变化,产生更多氧气C.分子体积很小D分子间有间隔4.今年4月初,成都发生柏木和轻微水污染事故。环保人员对受污染的原水进行了投入活性炭等处理。活性炭的作用是()A去除异味B消毒杀菌C沉降杂质D降低水的硬度5.右图是某服装标签,仔细阅读后可知()洗涤说明规格:165/88AA.该服装不可水洗一、小心手洗货号:B.熨烫时温度越低越好二、不可氯漂C.该服装面料为天然纤维三、蒸汽熨烫四、常规干洗五、悬挂晾干D.市售洗涤剂均可使用面料:里料:6.下列几组固体物质,仅从外观不易区别的是(羊毛100﹪棉100﹪)A.铁丝和铜丝B氯化钠和碳酸钠C氯酸钾和高锰酸钾D硝酸铵和磷矿粉7.超细的铁微粒是一种纳米颗粒型材料,可在低温下将CO2分解为炭。下列推测不合理的是()A.该反应属于化合反应B该反应有助于减少温室气体排放C.该反应的另一产物可能是O2D超细铁微粒在反应中可能做催化剂8.右图是水的电解实验。该实验的主要目的是()A.观察水分解的现象B.研究水分解产物的性质C.探究水分解的条件D.验证水由氧元素和氢元素组成9.纯净水不宜长期饮用。因为天然水中含有的硒等元素很难从食物中摄取,而在制取纯净水时,硒等元素也被除去。硒是人体必需的()A.蛋白质B微量元素C稀有气体元素D维生素10.最近,科学家找到一种能“记”住四种形状的材料。这种材料是由很多彼此重复或类似的分子组成的聚合物,仅通过改变温度就可改变其形状。则该材料()A是一种热敏感材料B是一种形状记忆合金第1页共7页C是一种小分子材料D宜用于制造厨房灶具11.右图是a、b两种固体物质的溶解度曲线。从图中可获得的信息是()A.固体物质的溶解度均随温度升高而增大B.t℃,相同质量的a、b溶解时放出热量相同C.升高温度,可使a或b的饱和溶液变为不饱和溶液D.将相同质量的a、b分别加入100g水中,所得溶液质量分数相同12.某食品干燥剂为白色固体,化学兴趣小组同学欲探究其成分,进行如下实验:取2.0g干燥剂加入足量水溶液a加入适量Na2CO3溶液沉淀a操作I沉淀b下列判断不正确的是()A.称取2.0g干燥剂要用到的仪器室托盘天平B.操作I是过滤C.溶液a与溶液b可能都含有OH-且具有相似的性质D该干燥剂的主要成分可能是生石灰,也可能是烧碱第二卷可能用到的相对原子质量:H—1C—12O—1613.(6分)纽扣电池常用于手表等精密电子产品。下面是某常见纽扣电池中发生的反应:H2O+Zn+HgO=Zn(OH)2+Hg(1)该反应中,Zn的化合价由__________变为___________.(2)将该反应中的反应物进行简单分类,则下面横线上的物质是(填名称):单质:_____________纯净物金属氧化物:_____________(3)该电池中通常还加入炭粉,是因为炭具有良好的___________性。(4)废旧的纽扣电池不能随意丢弃,原因__________________________14.(6分)近日,成都市环保局发布《2009年成都市环境质量公报》。去年,我市城区共采雨样243个,降水pH均值为5.12,城东降水pH均值为4.14。(1)从数据看,因5.12小于__________(填数值),说明我市城区有酸雨污染;酸雨污染较严重的区域是__________;(2)由降水离子分析可知,2009年度成都市降水中阴离子浓度最大的是硫酸根,其次是硝酸根;酸雨呈酸雨型污染。①写化学式:硫酸根离子__________、硝酸根离子__________;②酸雨呈硫酸型污染,说明污染源排放的气体主要是__________(填化学式)③若某酸雨样本的主要成分是H2SO4,则加入BaCl2溶液后,发生反应的化学方程式是____________________________________________...

1、当您付费下载文档后,您只拥有了使用权限,并不意味着购买了版权,文档只能用于自身使用,不得用于其他商业用途(如 [转卖]进行直接盈利或[编辑后售卖]进行间接盈利)。
2、本站所有内容均由合作方或网友上传,本站不对文档的完整性、权威性及其观点立场正确性做任何保证或承诺!文档内容仅供研究参考,付费前请自行鉴别。
3、如文档内容存在违规,或者侵犯商业秘密、侵犯著作权等,请点击“违规举报”。

碎片内容

2010年四川省成都市中考化学试卷及答案.doc

确认删除?